DIY毫欧计,分辨力达到1微欧

admin 2017-5-22 7179

一、电阻的测量通常有电桥法,恒流法和比例法

1、电桥法

 

当电桥平衡的时候(即A、B两点的电位差为0),Rx=R2*R3/R1

2、恒流法
R=U/I,如果I恒定,测量电阻上的压降U,就可以算出R。这个方法是大部分台式万用表使用的方法,例如下图是Agilent E1412A里面的恒流源电路,测量电压就行了

 

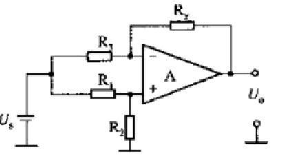
3、比例法

这是手持万用表最常见的方法。R0作为基准电阻,用R0上的压降作为ADC的Vref,测量Rx上的压降Vin,即可算出Rx

 

 

二、为什么我用比例法?

每种方法都很经典,都可以达到很高的精度。例如lilith提到高联的  DCC 电桥,分辨率能有 9 位半以上;再如Agilent 34420A纳伏 / 微欧表用的是恒流法,1欧姆档的分辨力是0.1微欧
但是不是每一个方法都适合DIY!DIY最重要的原则就是简单!

电桥法需要3个精确的电阻,而且还有一个是可变的,这个DIY几乎无法实现。
当然电桥也可以变形为有源电桥(下图仅仅是示意,这个有源电桥可不能测量微小的电阻),通过测量Uo算出Rx。不过还是需要3个精确电阻
 

恒流法的复杂性不用我罗嗦,看看Agilent E1412A的图就知道了(知道为什么我挑Agilent E1412A的图,因为这个表的“最简单”)。
恒流法需要的精密元件更多:电压基准,一堆的精密电阻,比较好的模拟开关、FET、运放……
而且要测量微小的电阻,测试电流不可能小,要分辨到1uOhm,至少要100mA的测试电流。除非你有Agilent 34420A那么低的噪声,才有可能用10mA分辨到0.1uOhm

因此,这些方法都排除之后,剩下了最简单的比例法。比例法只有一个精确元件——基准电阻,其他的就靠ADC了。那好办,24bit的ADC也不贵,选个带24bit的MCU,最便宜的是C8051F350,还内置PGA,放大倍数最大到128~~

原理图就很简单了,就是基本原理的翻版。不过这里用了一个磁保持继电器作为基准电阻的切换(下一个版本会取消这个继电器,贵,不好买,关键是这是毫欧表,测量到K级干啥)
 

锂电池供电,顺便做了个充电器,从USB充电,还有4个按键,由于IO口不够,加上有一个还要做电源键,按键搞得复杂了点
 

提一下精度问题,比例法唯一的一个精密元件就是基准电阻,这个东东90%的精度是由它决定的(ADC/PGA的offset等误差理论上是可以校正的,PGA增益温漂大概是0.5ppm/度),而这个电阻还是有功率的(100mA^2*30欧姆=0.3W),基准电阻的自发热比较明显,我用2W的电阻都会觉得有一点温度。我现在用的是一个2W的金属膜电阻,冷态开机到热稳定,测量值会下降几十微欧(想想为什么是下降?)。因此电阻的温度系数是(短稳)精度的最大敌人。节后,考虑换成VHP-4或者 VPR221Z。

说了这么多,看看效果吧

 
 
 
 
 


最新回复 [1]
返回